La inyección Diesel básica
Bugatti Carlos ©

El Sistema de inyección
Introducción
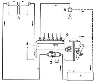
La parte de baja presión de un sistema de inyección está integrada por el depósito de combustible, la bomba de alimentación, el filtro de gasoil, la cámara de admisión de la bomba de inyección, la válvula de descarga y las correspondientes tuberías del combustible. La bomba de alimentación adosada a la bomba de inyección aspira el combustible desde el depósito del mismo y lo impulsa a la cámara de admisión de la bomba de inyección. En la entrada del gasoil se encuentran filtros que protegen la bomba de inyección, fabricada con la máxima precisión, de las impurezas arrastradas por el combustible. En la parte de alta presión de la bomba de inyección se genera la presión de combustible necesaria para la inyección. El gasoil es impulsado a través de la válvula de presión, de la tuberia de impulsión y del portainyector hasta el inyector.

Motor con equipo de inyección
La presión del gasoil abre la válvula de aguja del inyector y el gasóleo penetra finamente pulverizado en la cámara de combustión del motor.
El regulador del número de revoluciones influye sobre el caudal de alimentación a través de un mecanismo corrector, dependiendo del régimen y de la carga. El mecanismo corrector está integrado en la bomba de inyección, y el regulador va adosado generalmente en la misma.
Depósito de gasoil
Existen versiones de diferentes dimensiones, dependiendo del tamaño del vehículo o del espacio disponible para el depósito de combustible en el interior o el exterior de dicho vehículo. Los depósitos de combustible difieren ante todo en su forma y volumen. Normalmente, el depósito de gasoil es de chapa de acero. Su interior está protegido contra la corrosión por una capa de pintura o barniz.
Las tuberías de alimentación y retorno hacia y desde la bomba de inyección, la boca de llenado, el tornillo de evacuación y el dispositivo de ventilación van dispuestos conforme al tipo de montaje.
Sistema de instalación de tuberías
Para el funcionamiento de la bomba de inyección es necesario que el combustible llegue a ella continuamente, sin burbujas y bajo presión.
Esta alimentación de gasoil queda garantizada por los siguientes sistemas de instalación de tuberías:
– Servicio con depósito de gravedad
– Servicio con bomba de alimentación
Servicio con depósito de gravedad
Se utiliza ante todo en tractores agrícolas y en micromotores Diesel. Con este sistema, el combustible llega al filtro y a la bomba de inyección arrastrado por la fuerza de gravedad.
En caso de que la diferencia de altura entre el depósito de combustible y el filtro o la bomba de inyección sea pequeña, es conveniente utilizar tuberías de sección grande. Con ello se garantiza, también en este caso, una alimentación suficiente de combustible a la bomba de inyección.
Resulta ventajoso instalar una llave de paso entre el depósito y el filtro de combustible. Así, en caso de reparación o de mantenimiento puede interrumpirse la alimentación de combustible, no siendo por tanto necesario vaciar el depósito de combustible.

Sistema de inyección con depósito de gravedad. 1. Depósito de combustible 2. Filtro de combustible 3. Bomba de inyección 4. Inyectores, bajo presión, sin presión.

Sistema de inyección con válvula de descarga en la bomba de inyección. 1. depósito de combustible. 2. bomba de alimentación. 3. filtro de combustible. 4. bomba de inyección. 5. inyector. 6. válvula de descarga, bajo presión sin presión.
Servicio con bomba de alimentación
En vehículos con gran diferencia de altura y/o gran distancia entre el depósito de combustible y la bomba de inyección, se instala una bomba de alimentación. Normalmente está abridada a la bomba de inyección.
Dependiendo de las condiciones de funcionamiento del motor y de las particularidades específicas del mismo, se requieren distintos sistemas de instalación de tuberías.
Las figuras muestran dos versiones posibles. Si el filtro de combustible está instalado en las proximidades inmediatas del motor, pueden formarse burbujas de gas dentro del sistema de tuberías. Para evitar esto, resulta necesario “barrer” la cámara de admisión de la bomba de admisión.
Esto se consigue instalando una válvula de descarga en la cámara de admisión de la bomba de inyección. En este sistema de tuberías, el combustible sobrante vuelve al depósito de combustible a través de la válvula de descarga y de la tubería de retorno. Si en el vano del motor impera una temperatura ambiente elevada, puede recurrirse a un sistema de tuberías gasoil.
Aquí, en el filtro del combustible va instalada una válvula de descarga a través de la cual una parte del gasoil retorna al depósito del mismo durante el funcionamiento, arrastrando eventuales burbujas de gas o vapor.
Las burbujas de gas que se forman en la cámara de admisión de la bomba de inyección son evacuadas por el combustible sobrante que sale por la válvula de descarga y que vuelve al depósito de combustible a través de la tubería de retorno. El barrido continuo de la cámara de admisión refrigera la bomba de inyección e impide que se formen burbujas de gas.

Bomba de alimentación de doble efecto. 1. válvula de retención (lado de admisión). 2. válvula de retención (lado de impulsión).

Bomba de alimentación de simple efecto. 1. impulsores. 2. válvula de retención (lado admisión). 3. cebador. 4. válvula de retención (lado de impulsión). 5. émbolo. 6. prepurificador.
Bombas de alimentación
Una bomba de alimentación aspira el gasoil del depósito y lo impulsa bajo presión a la cámara de admisión de la bomba de inyección a través del filtro de gasoil.
En el caso de los motores Diesel para vehículos con bombas de inyección en línea, el combustible tiene que llegar a la cámara de admisión de la bomba de inyección bajo presión (aproximadamente 1 bar de presión relativa), pues de lo contrario no se garantiza el llenado de los cilindros de la bomba.
La presión de la cámara de admisión, necesaria para el llenado de los cilindros, se consigue utilizando un depósito de combustible instalado por encima de la bomba de inyección (depósito de gravedad), o bien recurriendo a una bomba de alimentación.
En este último caso, el depósito de combustible puede instalarse por debajo y/o alejado de la bomba de inyección. La bomba de alimentación es una bomba mecánica de émbolo fijada generalmente a la bomba de inyección. Esta bomba de alimentación es accionada por el árbol de levas de la bomba de inyección. En la bomba de alimentación puede estar instalado también un cebador manual que sirve para llenar y purgar el lado de admisión del sistema de inyección para la puesta en servicio o tras efectuar operaciones de mantenimiento.
Existen bombas de alimentación de simple y doble efecto. Según el tamaño de la bomba de inyección se adosan a la misma una o dos bombas de alimentación.

Filtro de gasoil (múltiple tipo box).
Bomba de alimentación de simple efecto
Esta bomba consta de dos cámaras separadas por un émbolo móvil. La excéntrica del árbol de levas de la bomba de inyección inicia el movimiento del émbolo a través de un impulsor de rodillo y de un perno de presión. Durante la carrera intermedia, el gasoil penetra en la cámara de presión a través de la válvula de retención instalada en el lado de impulsión.
Durante las carreras de alimentación y admisión, el combustible es impulsado desde la cámara de presión hacia la bomba de inyección por el émbolo que retrocede por efecto de la fuerza del muelle. Al mismo tiempo, la bomba de alimentación aspira también combustible desde el depósito del mismo, haciéndolo pasar por un pre-purificador y por la válvula de retención del lado de admisión.
Si la presión de la tubería de alimentación sobrepasa un determinado valor, la fuerza del muelle del émbolo deja de ser suficiente para que se realice una carrera de trabajo completa. Con esto se reduce el caudal de alimentación, pudiendo llegar a hacerse cero si la presión sigue aumentando. De este modo, la bomba de alimentación protege el filtro de combustible contra presiones excesivas.
Bomba de alimentación de doble efecto
En el caso de esta bomba, dos válvulas de retención adicionales convierten la cámara de admisión y la cámara de presión de la bomba de alimentación de simple efecto en respectivamente una cámara de admisión y de presión combinada. A cada carrera de la bomba de alimentación de doble efecto, el combustible es aspirado a una cámara, siendo impulsado simultáneamente desde la otra cámara hacia la bomba de inyección.
Por lo tanto, cada carrera es al mismo tiempo de alimentación y de admisión. Al contrario de lo que ocurre en la bomba de simple efecto, el caudal de alimentación nunca puede hacerse cero. En consecuencia, en la tubería de impulsión o en el filtro de combustible tiene que preverse una válvula de descarga a través de la cual pueda retornar al depósito el exceso de combustible impulsado.
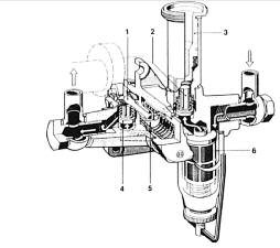
Filtros de gasoil
La misión de estos filtros es retener las impurezas existentes en el combustible. La calidad del filtro es decisiva para la duración de la bomba de inyección. Los elementos de la bomba de inyección generadores de presión y los inyectores, están adaptados entre sí con una precisión de pocas milésimas de milímetro. Esto significa que las impurezas del combustible que alcancen este tamaño o que produzcan desgaste, pueden ser una amenaza para el funcionamiento de tan precisas piezas.

Esquema de un filtro multi-etapa o en tándem compuesto por un filtro primario y por un filtro fino o principal. los elementos o cartuchos filtrantes pueden ser del tipo fácil recambio (easy-change). 1. Tapa del filtro con montaje de los cartuchos. 2. Filtro Primario. 3. Filtro principal o fino.

Detalle de un elemento o cartucho del filtro. gasoil. 1.Tubo Central perforado. 2. Elemento filtrante de papel.